返回主站
|
会员中心
|
保存桌面
|
手机浏览
东莞市三钜智能科技有限公司
主营: 通风机 机械用电动机 工业风扇
网站首页
公司介绍
供应产品
采购清单
新闻中心
江南(中国)
友情链接
商城
企业档案
企业会员
第
4
年
东莞市三钜智能科技有限公司
黄乐明
先生
和我联系
经营范围:
主营: 通风机 机械用电动机 工业风扇
主营行业:
综合配件
所在地区:
广东/东莞市
信用指数:
0
认证信息:
企业资料通过认证
保证金:
0.00 元
新闻中心
暂无新闻
产品分类
暂无分类
江南(中国)
联系人: 黄乐明
电话:13751270449
友情链接
暂无链接
首页
>
供应产品
>
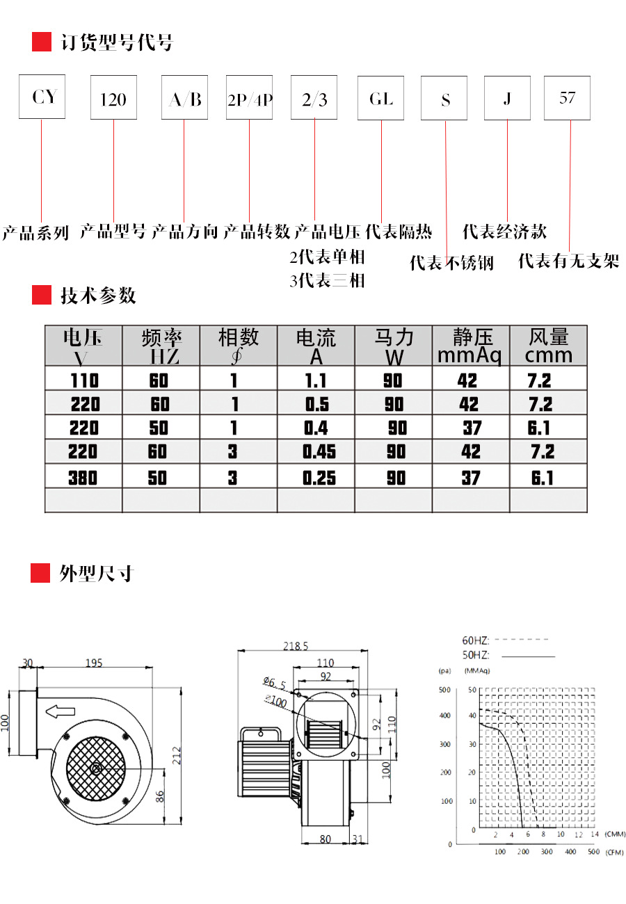
供应CY120-GL-J耐高温离心风机热风循坏隔热风机 90W烧烤炉风机
供应CY120-GL-J耐高温离心风机热风循坏隔热风机 90W烧烤炉风机
点击图片查看原图
产品:
浏览次数:509
供应CY120-GL-J耐高温离心风机热风循坏隔热风机 90W烧烤炉风机
单价:
222.00元/台
最小起订量:
1 台
供货总量:
85 台
发货期限:
自买家付款之日起
3
天内发货
有效期至:
长期有效
最后更新:
2022-07-04 15:06
详细信息
订货号
CY120-GL-J-A/B-2P-2/3
品牌
SAYU
货号
CY120-GL-J-A/B-2P-2/3
型号
CY120-GL-J
气流方向
离心风机
材质
镀锌板
风机压力
中压风机
电压
单相220V,三相380V
类型
抽风机
性能
低噪音风机
用途
管道风机
轴功率
0.090(kw)
询价单
共
0
条
相关评论
Copyright ©2026 版权所有:东莞市三钜智能科技有限公司 访问量:3841
技术支持:
全球零部件网
商铺管理入口
销售热线
13751270449
返回顶部
乐竞官方网站
|
开云手机官方版登录入口
|
开云集团中国有限公司官网
|
九游·官方网站
|
华体会官方端网站登录入口
|
开云手机官方版登录入口
|
金年会平台
|
星空官方站登录入口
|
星空网页版
|