
厂家直供,量大从优,
本公司承诺:
本公司生产的产品 一律全铜线,正宗国标,本公司在一年内对所供的产品实行三包原则,如是买家的使用或操作不当造成,如缺项,进水,等等人为或自然环境等因素造成电机损坏是不予保修的,希望客户可以理解!
本公司电机均不包邮不含税,由于页面型号繁多运费无法一一标注,运费按产品实际重量实际地方收取,可现付可到付!!电机从0.37KW-315KW 2极4极6极8极一般均有现货。
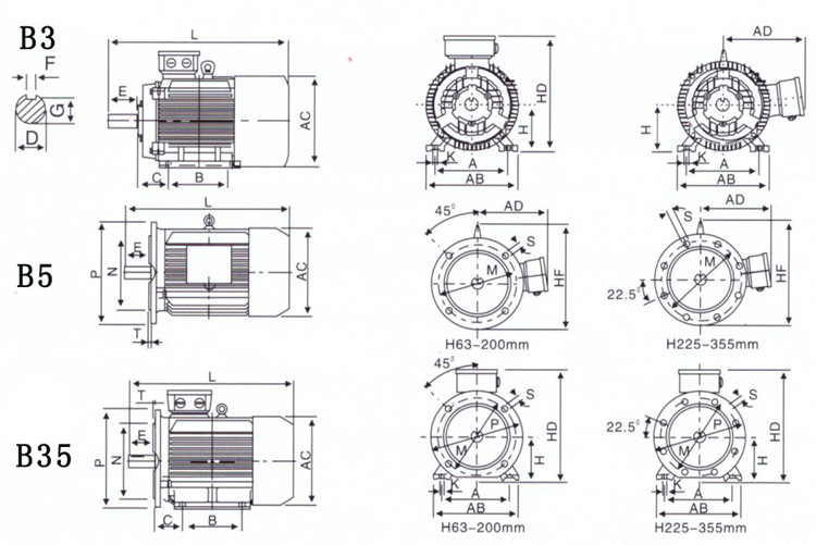
本公司根据买家所提供的产品型号、规格、数据参数供货。 买家在购买电机前请与公司确认好电机型号、安装方式, 一般莫认为卧式(B3为卧式,B5为立式,B35为立卧式)。
承接各类定制电机,如:改电压、改频率,具体请联系客服, 谢谢!
本店可汇公账,可开增值税发票和普通发票,需要外加税点,客户如需开票,具体税点请咨询在线客服! !谢谢配合!





















企业资料通过认证
