返回主站|会员中心|保存桌面|手机浏览
普通会员

浙江瑞菱自动化设备有限公司

销售:工业自动控制系统装置、机电设备及配件、监控安防器材、电线电缆、五金工

 
新闻中心
  • 暂无新闻
产品分类
  • 暂无分类
江南(中国)
  • 联系人:米莉红
  • 电话:18906510156
友情链接
  • 暂无链接
首页 > 供应产品 > 全新原装安川变频器 CIMR-AA2A0008FAA 1.1KW 三相220V
全新原装安川变频器 CIMR-AA2A0008FAA 1.1KW 三相220V
点击图片查看原图
产品: 浏览次数:408全新原装安川变频器 CIMR-AA2A0008FAA 1.1KW 三相220V 
单价: 2350.00元/台
最小起订量: 1 台
供货总量: 2 台
发货期限: 自买家付款之日起 15 天内发货
有效期至: 长期有效
最后更新: 2022-12-30 11:35
  询价
详细信息
 

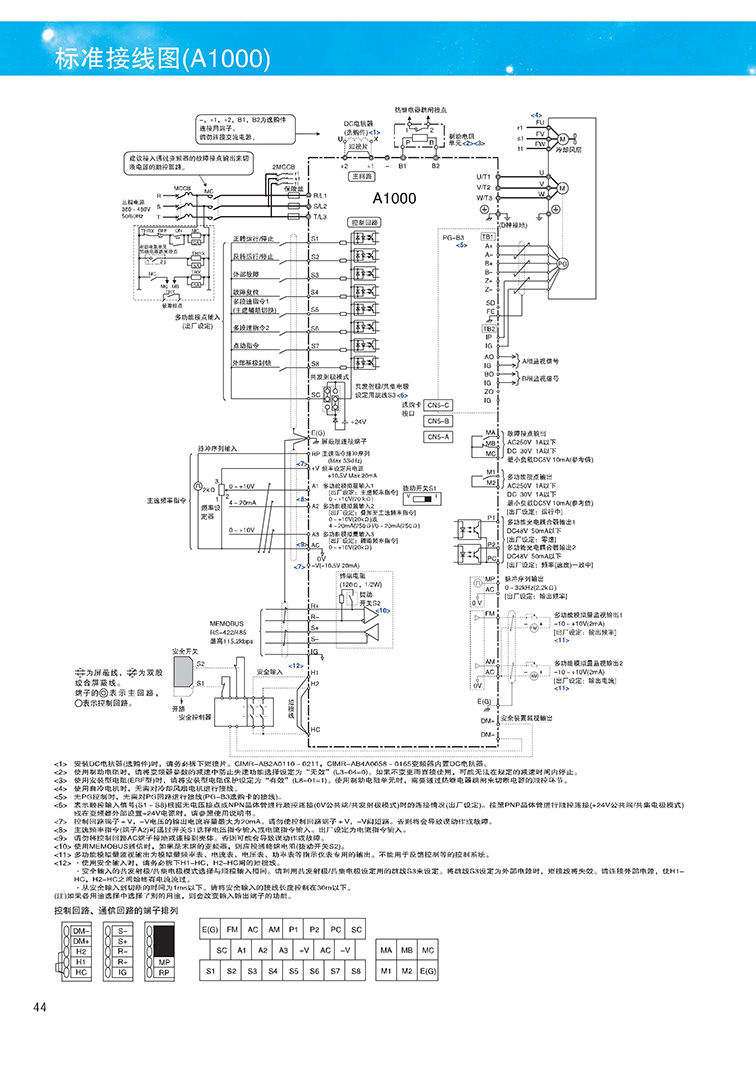
全新原装 安川变频器 A1000系列 (部分请询问货期)

 

型号: CIMR-AA2A0008FAA

 

特征:1.1K 三相220V

 

------------------------------------------------------------------------------

 

相应参数:

 

 

 


 

 

 


 


询价单
0条  相关评论
Copyright ©2025 版权所有:浙江瑞菱自动化设备有限公司  访问量:2237

销售热线

18906510156

返回顶部