潜水搅拌机性能与结构:

(1)型式与要求:
1)潜水推流搅拌机的型式为三叶片螺旋浆式无阻塞全不锈钢的潜水搅拌器。
2)潜水推流搅拌机工作时要求池底水平流速大于0.3m/s,以防发生沉淀。要求池内淤泥无堆积现象。
(2)主要结构
1)潜水推流搅拌机的设计
潜水推流搅拌机能处理污水、污泥或反冲洗废水。搅拌器可上下升降,方便的移动,检查或维修无需人员进入湿井。滑行杆支架作为搅拌器整体部件之一。潜水推流搅拌机全部的重量受力在一个支架上,
并且支架可承受潜水搅拌机形成的推力。附件和电缆在10米水深无水泄,可连续潜水工作。
2)潜水推流搅拌机的构造
每台潜水推流搅拌机整体设计,封闭式连接,潜水型。潜水搅拌机所有的组件包括电机可在水下连续运转。与液体接触的搅拌机主要构件是不锈钢S304。潜水搅拌机主件的密封设计是金属与金属接触。需要防水密封的临界接触面应是机械加工,并嵌入两组腈或氟化橡胶O-型圈。
3)冷却系统
电机能被周围搅拌介质充分冷却。
4)电缆和电缆密封
①电机配有控制和动力电缆,具有防拉功能,符合行业标准并提供足够的长度以接入接线盒且不需要拼接。每根电缆都有一个单独的进口,并进行可靠密封。动力电缆为多芯电缆,每根电缆单独进行密封。电缆外护套是低吸收性的防油氯丁橡胶,机械柔性能承受电缆进线处的压力。
②电缆进线密封设计能消除一定的扭矩以形成一个防水的潜水密封。该密封可重复使用并保证方便电缆的更换,不能用环氧树脂,硅或其他二次密封系统进行密封。
5)电机
潜水推流搅拌机的电机是鼠笼式感应电机,装在充气的防水的壳内,防护等级IP68。定子绕组和定子进线的绝缘等级为F级180°C。电机设计成可连续处理搅拌40°C的介质,每小时可起动30次,为监控每相绕组上的温度,在定子进线线圈中装有热敏开关,并接至控制柜,与控制柜连接。
6)轴承
潜水推流搅拌机和电机的轴是连续无间断的轴,轴在油脂润滑的三个轴承上转动。轴承是一个单滚珠轴承用于承担径向力。下轴承包括一个滚珠轴承承担径向力及一个向心止推轴承来承担轴向力。所有轴承的设计寿命不低于10万小时。
7)一体化插入式机械密封
潜水推流搅拌机配有一个一体化插入式的双机械密封。密封在一个油腔内运行,该油腔能以一稳定的流速对重叠的密封面进行润滑。外机械密封为耐腐蚀烧结碳化钨,避免搅拌液进入油腔。内机械密封为耐腐蚀烧结碳化钨,避免油腔中的油进入电机。内外机械密封各自独立地运行。
每台潜水推流搅拌机的轴密封系统应有一个油室,油室从设计上是防止过满和留有油膨胀的空间。带有防漏密封的注油孔和检查孔应当是很容易从外部检查维修的。
8)潜水推流搅拌机轴
螺旋浆和电机的轴是同一个,螺旋桨所的轴是电机轴的延伸。轴的材料为不锈钢(S420)。螺旋桨充分与搅拌介质隔离。
9)叶轮
叶轮是304不锈钢材质或316L不锈钢,水力平衡的无堵塞的拽后设计。螺旋桨能处理常规污水、污泥或反冲洗废水。螺旋桨有三个叶片,
11)保护
所有的电机中每相绕组都连接热敏开关,并串连。水泄漏传感器:探测定子室中的水。当泄漏传感器动作时,使得电机停止并报警。提供可装在电控柜中的监控继电器用于实时监测热敏信号和泄漏信号。
12)提升支架
支架和起吊悬臂均为不锈钢304。支架可在水平方向0度至180度内每隔10度调整。起吊葫芦内需配置制动装置。不锈钢304的吊链、螺栓、螺母、垫片、旋转操作手柄和化学地脚螺栓均被成套供应。
(3)主要部件材质
壳体:316不锈钢(整体铸造,不接受不锈钢包覆形式)
叶片:316不锈钢
机械密封:耐腐蚀烧结碳化钨或碳化硅
静密封材料:腈橡胶
所有连接附件、地脚螺栓:304不锈钢
导杆、支架、链、钢丝绳:304不锈钢

江苏杜安环保QJB潜水推流搅拌机主要部件材质:
机壳:不锈钢 304
叶轮:不锈钢 316
主轴:不锈钢 ASTM420
导轨、提拉链:不锈钢 304
臂式起吊架:不锈钢 304
机械密封:耐腐蚀烧结碳化钨
螺栓、螺母、垫圈:不锈钢 316
导流环:不锈钢 304
QJB潜水推流搅拌机制造、检验、试验和验收(1)杜安环保质检部建立一套完整的质量检查制度,以保证所有影响产品的牢固性、可靠性、操作性能以及长期运转性能的各种因素都已经过考虑,并对加工、检验及测试设备进行必要的试验、检验和标定。
(2)潜水推流搅拌机制造、检验、试验和验收时,应按相关的标准、规范、规定进行。
(3)潜水推流搅拌机所使用的材料进行检验,并出具材料出厂合格证、材料检验和试验记录。
杜安环保QJB潜水推流搅拌机包装运输和标识
(1)杜安环保负责潜水推流搅拌机及备件的装运保护、保存和准备;
(2)杜安环保负责潜水推流搅拌机的铭牌。铭牌有清晰的产品型号、参数、规格及出厂日期。
潜水推流搅拌机出厂附带资料
潜水推流搅拌机产地、国别、制造厂全名及出厂日期
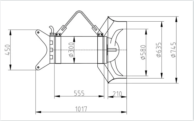
潜水推流搅拌机的形式、型号、规格、外形尺寸、技术性能及有关参数
基础螺栓布置详图和土建荷载
潜水推流搅拌机结构总装图
详细的技术规格
零件材料和防护涂层说明
设备的外形尺寸和安装、维修运行所需的空间要求;
潜水推流搅拌机配套控制柜的电气原理图及端子接线图
控制原理图
说明书或设备一览表
供货清单(包括名称、数量、规格、性能参数、材质、产地)
备品、备件清单
设备的安装、运行、维修手册及保养教程






