
潜水搅拌机技术要求
(1)处理对象:污水,水温0~50℃。
(2)型式与性能
1)叶轮直径及转速需符全使用要求。
潜水搅拌机供货范围:
供货范围为潜水搅拌机3台,每台潜水搅拌器包括:
完整的搅拌机、导杆及手轮提升装置,并提供能保证设备充分、有效及可靠运行所需的附件,要求每台搅拌器均配置1套手轮提升装置。
潜水搅拌机安装固定所需的所有连接附件、紧固件及不锈钢化学螺栓等。
每套潜水搅拌机相应的保护(泄漏、过热等)器,确保搅拌器充分、可靠、高效的操作。
设备初次用油
提供供1年内易损的备品备件,另外质保期后2年的备件单独报价。
充分可靠和有效运行所需的软件、设备、服务、附件、专用检测设备和工具、材料(包括管件及配件)等。
所有连接附件,配对法兰、紧固件等。
2)电源:380V,50Hz,三相
3)潜水电缆:10米,电缆规格按IEC标准执行。
4)启动方式:直接启动
5)电机监控保护措施:定子绕组热敏开关、定子室泄露传感器
6)用于设备和部件组装的所有螺栓、螺母、垫圈和其他紧固件都必须采用304不锈钢材料制作。
7)除不锈钢部件外,对所有接触污水的表面都应涂上按一定标准要求的且经业主批准的防腐涂层作保护。
(3)安装设计
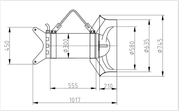
1)各设备均能处理生活污水,可以提升和下放,并且可以方便地卸下检查和服务,无需人员进入池内。滑动的导杆支架作为潜水搅拌整体部件之一。设备的全部重量受力在一个支架上,并且支架可承受设备形成的推力。各设备、附件和电缆在20米深无水密性损失,可连续潜水。
2)包括滑行导杆、底盘和起吊支架、横梁以及螺母螺栓等相关紧固件。材质为不锈钢304。
3)导杆安装高度根据现场池深决定。导杆和起吊支架的尺寸为标配。
4)各设备采用不锈钢化学螺栓安装。
5)杜安环保提供提升链及手摇绞车,为方便检修,起吊支架可将设备自由升降并转向。起吊用的吊链及起重装置有自锁功能。
6)要求所有同种设备之间的提升装置都可以互用。
7)要求搅拌器的平面安装位置可在一定角度范围内灵活调节。
8)水池走道板设不锈钢栏杆,高度1200mm,要求起吊装置避让栏杆
(4)密封
1)每台设备有一套三密封以便将潜水搅拌机的各部位分开。叶轮轴上的外密封应为一个含有静止和正向传动旋转的耐腐蚀碳化钨或碳化硅环的机械密封。密封应在一个通过水力作用对重叠密封面以恒定速度进行润滑的油室中运行。只有外密封的密封面才可以暴露在搅拌液体中。叶轮上的内密封为一个丁腈橡胶唇密封,它能将叶轮轴油室与齿轮箱油室隔绝开来。第三个密封为一个安装在电机轴上的丁腈橡胶密封,能隔离齿轮箱油室和定子室。
2)密封既不需维护与调整。
(5)冷却系统
电机能被周围搅拌介质充分冷却,不应依赖冷却套或外部冷却系统。
(6)电动机
电动机是全浸没式、带有冷却液隔套的鼠笼感应电动机,适于3相、380V、50Hz的交感电源,绝缘等级F级。对定子线圈和定子引出线,采用F级防水绝缘。
电机设计成连续运转,还必须满足每小时至少15次的启动要求,而不会引起任何有害影响。当设备在其特性曲线的任一点上运转,电机都不会超负荷。
潜水电动机具备能在水下20m处连续使用而不失去其防水性能(根据IP68标准制作),接到电机上的供电和控制电缆必须适用于水下且符合IP68防水性能要求,并应采用适合于水下应用的橡皮绝缘软电缆,即使电缆破损,水也不会顺着电缆芯绒进入电机腔内。电缆进线的水密封设计符合规定扭矩要求,以确保潜水密封的可靠性。电缆进线盒和电机要用定子引线密封套或终端板把它们分开,以防杂质进入电机内侧。
(7)电机保护装置
电机腔内设置线圈温度的传感报警装置、电机腔泄露传感报警装置。温度传感报警装置采用Pt100三线制IEC标准热电阻;所有电机保护装置须将报警信号以无源接点信号的形式输出,由厂内PLC系统采集,以保护潜水搅拌器的充分运行。
(8)材质要求
手轮提升装置 304不锈钢
叶轮材质及主机材质 304不锈钢(固溶处理)
导杆及起吊装置材质 304不锈钢
安装附件/紧固件材质 304不锈钢
机械密封材质 碳化钨/碳化硅
潜水搅拌机配置说明:|
序号 |
名称 |
规格型号 |
设备材质 |
数量 |
制造厂 |
|
1 |
主轴 |
(2Cr13)
|
不锈钢 |
1 |
杜安环保 |
|
2 |
螺旋浆叶 |
304 |
不锈钢 |
3 |
杜安环保 |
|
3 |
外壳 |
304 |
不锈钢 |
1 |
杜安环保 |
|
4 |
提升吊架 |
304 |
不锈钢 |
1 |
杜安环保 |
|
5 |
安装附件 |
304 |
不锈钢 |
1 |
杜安环保 |
|
6 |
机械密封 |
MA22-15 |
碳化硅 |
2 |
博格曼 |
|
7 |
电缆 |
YF3*10+3*4+1*6 |
丁睛橡胶 |
1 |
上上 |
|
8 |
电机 |
三相鼠笼异步电机 |
厂家定 |
1 |
杜安环保 |
|
9 |
提升装置 |
AISI |
304不锈钢 |
1 |
杜安环保 |
|
10 |
|
|
|
|
|
杜安环保QJB1.5/6-260/3-980S潜水搅拌机潜水搅拌机出厂资料:
(1)设备的详图及说明,表明所有的安装尺寸及材料;
(2)详细设备的性能说明;
(3)ISO9000系列质量管理认证;
(4)安装、维修、运行手册;
(5)电气及控制接线图;
(6)生主资格证明以及同类设备供货和应用业绩;
(7)备品备件表。









