CPG齿轮减速马达已获ISO9002认证、CE认证、UL认证,功率范围:75W-3700W,减速比范围:1/3-1/1800;三相/单相;
材质采用铝合金ADC-12/铸铁FC-20,马达齿轮、齿轴经SKIVING精密滚齿加工,精度等级为1-2级,;马达部分皆采用瑞典SKF或同等级精密轴承;本马达具有较强的防水性(IP-55铝制接线盒),较易散热及运转效率高。

|
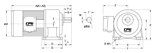
出力轴尺寸
|
|||||
|
出力轴
|
键槽
|
键
|
|||
|
Sh6
|
P
|
W
|
T
|
Q
|
SPEC'
|
|
∮18
|
30
|
5
|
20.2
|
27
|
5*5*27
|
|
∮22
|
40
|
7
|
25
|
35
|
7*7*35
|
|
∮28
|
45
|
7
|
31.1
|
40
|
7*7*40
|
|
∮32
|
55
|
10
|
35.5
|
50
|
10*8*50
|
|
∮40
|
65
|
10
|
43.5
|
60
|
10*8*60
|
|
∮50
|
80
|
14
|
54
|
75
|
14*9*75
|
|
马力
|
减速比
|
本体
|
型番(S)
|
A
|
A1
|
A2
|
D
|
E
|
F
|
G
|
H
|
J
|
K
|
L
|
M
|
X
|
Y
|
Z
|
|
100W
1/8HP |
3-50
|
1#
|
18
|
250 | 250 | 250 |
40
|
110
|
135
|
65
|
9
|
16
|
50
|
10
|
133
|
138
|
88.5
|
120
|
|
60-200
|
2#
|
22
|
280 | 280 | 280 |
65
|
130
|
158
|
90
|
11
|
17.5
|
60
|
13
|
133
|
152
|
97.5
|
120
|
|
|
200W
1/4HP |
3-10
|
1#
|
18
|
285 | 285 | 285 |
40
|
110
|
135
|
65
|
9
|
16
|
50
|
10
|
133
|
138
|
88.5
|
120
|
|
15-90
|
2#
|
22
|
315 | 315 | 315 |
65
|
130
|
158
|
90
|
11
|
17.5
|
60
|
13
|
133
|
152
|
97.5
|
120
|
|
|
100-200
|
3#
|
28
|
350
|
350
|
350
|
90
|
140
|
178
|
120
|
11
|
23
|
68
|
17
|
133
|
178
|
116
|
120
|
|
|
400W
1/2HP |
3-10
|
2#
|
22
|
330
|
330
|
330
|
65
|
130
|
158
|
90
|
11
|
17.5
|
60
|
13
|
167
|
152
|
97.5
|
135
|
|
15-90
|
3#
|
28
|
360
|
360
|
360
|
90
|
140
|
178
|
120
|
11
|
23
|
68
|
17
|
167
|
178
|
116
|
135
|
|
|
100-200
|
4#
|
32
|
395
|
395
|
395
|
130
|
170
|
210
|
165
|
13
|
30
|
70
|
23
|
167
|
212
|
140
|
135
|
|
|
750W
1HP |
3-25
|
3#
|
28
|
380
|
380
|
380
|
90
|
140
|
178
|
120
|
11
|
23
|
68
|
17
|
167
|
178
|
116
|
135
|
|
30-120
|
4#
|
32
|
410
|
410
|
410
|
130
|
170
|
210
|
165
|
13
|
30
|
70
|
23
|
167
|
212
|
140
|
135
|
|
|
125-200
|
5#
|
40
|
465
|
465
|
465
|
150
|
210
|
265
|
198
|
15
|
36
|
89
|
24
|
167
|
250
|
162
|
135
|
|
|
1500W
2HP |
3-30
|
4#
|
32
|
450
|
450
|
450
|
130
|
170
|
210
|
165
|
13
|
30
|
70
|
23
|
192
|
212
|
140
|
146
|
|
40-100
|
5#
|
40
|
510
|
510
|
510
|
150
|
210
|
265
|
198
|
15
|
36
|
89
|
24
|
192
|
250
|
162
|
146
|
|
|
110-180
|
6#
|
50
|
560 | 560 | 560 |
170
|
265
|
321
|
238
|
18
|
51
|
120
|
31.5
|
192
|
308
|
200
|
146
|
|
|
2200W
3HP |
3-40
|
5#
|
40
|
520 | 520 | 520 |
150
|
210
|
265
|
198
|
15
|
36
|
89
|
24
|
220
|
250
|
162
|
160
|
|
45-100
|
6#
|
50
|
580
|
580
|
580
|
170
|
265
|
321
|
238
|
18
|
51
|
120
|
31.5
|
220
|
308
|
200
|
160
|
|
|
3700W
5HP |
3-10
|
5#
|
40
|
560 | 560 | 560 |
150
|
210
|
265
|
198
|
15
|
36
|
89
|
24
|
220
|
250
|
162
|
160
|
|
15-60
|
6#
|
50
|
620 | 620 | 620 |
170
|
265
|
321
|
238
|
18
|
51
|
120
|
31.5
|
220
|
308
|
200
|
160
|



通过 
