
伟森K型热电偶温度控制器
温控器采购链接:https://detail.1688.com/offer/668984902774.html?spm=a2615.2177701.autotrace-offerGeneral.1.b51e30bbDdaR6y




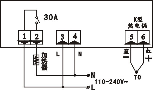
1.触摸按键操作,凭密码设定参数,内置电源和大功率继电器,小型一
体化智能控制。
2.具有加热恒温控制、探头故障显示。
3.适用于工业加热、加热带加热等控制。

1.电源电压:110~240VAC 50/60Hz
2.温度探头::K型热电偶,1条,1.5米长
3.温度显示范围:-20~350℃
4.控温温度范围:-20~300℃,出厂值:100℃
5.继电器触点容量: 30A/240VAC (超过2000W,需外接交流接触器)
6.外观尺寸:77×35×62 mm(长×宽×深)
安装开孔尺寸:71×29 mm(长×宽)
7.工作环境温度:-10~60℃;相对湿度:20%~90%(无结露)

|
代码 |
参数名称 |
设定范围 |
出厂值 |
|
E1 |
控制温度下限 |
-20℃~E2 |
30℃ |
|
E2 |
控制温度上限 |
E1~300℃ |
150℃ |
|
E3 |
回差温度 |
1~100℃ |
2℃ |
|
E4 |
延时启动时间 |
0~10分钟 |
0分钟 |
|
E5 |
库温探头温度校正 |
-50~50 ℃ |
0℃
|






