
|
||
| 此模板由【超级快车】提供 | ||






温度时间二合一控制调节仪
一、概述
本仪表由STC单片机控制,具有热电阻,热电偶信号输入,提供了多种报警方式;在传统PID控制算法的基础上,结合模糊控制理论创建了新的人工智能调节PID控制算法。在各种不同的系统上,启动自整定功能,大多数能得到满意的控制效果。对不太熟悉PID控制算法理论的用户来说,省掉了复杂繁琐的PID设定调试工作,做到真正意义上的“傻瓜”型温控器。具有无超调,抗干扰性强等特点。另外本产品增加了时间控制功能,用户可以根据实际需要选择时间控制方式,并可搭配温度一起控制。应用于烫画机,热转印机,烤箱等设备!
二、主要技术指标
1.基本误差:≤正负0.5%F.S±1个字。±0.25%F.S±1个字
2.冷端补偿误差:≤±2℃
3.采样周期:1秒
4.控制周期:主输出的控制周期为1~60秒可调
5.报警输出回差(不灵敏区):2℃
6.继电器触点输出:AC250V/7A(阻性负载)或AC250V/0.3A(感性负载)
7.驱动固态继电器信号输出:驱动电流≥15mA,电压≥10V
8.电源:AC220V 50/60Hz,或者其他特殊定制
9.工作环境:湿度0~50.0℃,相对湿度不大于85%的无腐蚀性气体及无强电磁干扰的场所。





联系手机:18998018181 杨小姐






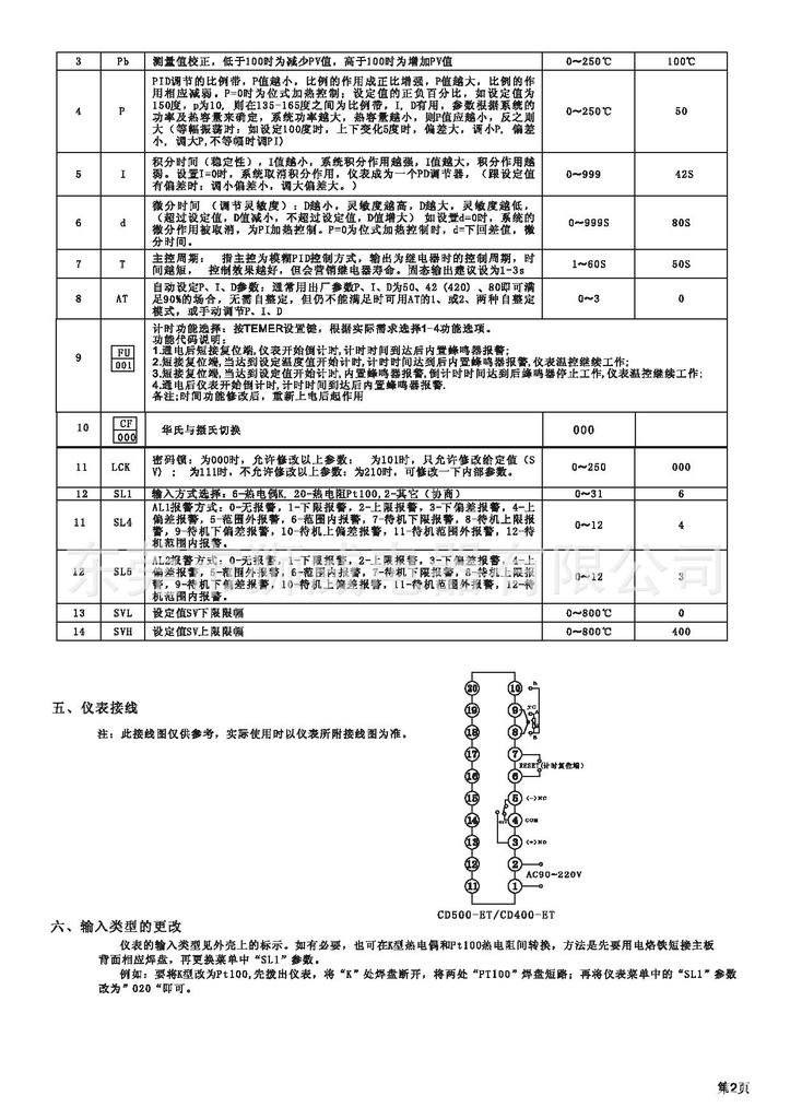
通过 






