
气缸主要技术参数

QGB气缸外型及基本尺寸

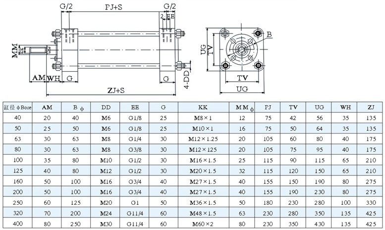
QGA气缸外型及基本尺寸

SC160气缸基本图及尺寸


怎样维护气缸?
- 工作中载菏有变化,应选用输出力充裕的气缸,在高温条件下,应选用相应的耐高温气缸。
- 气缸接入管道前,必须清除管道内脏物,防止杂物进入气缸内。
- 气缸适用介质应经过40μm以上过滤后方可使用。在低温环境下,应采用抗冻措施,防止系统中的水分冻结。
- 气缸使用前应经空载试运转,运转前将缓冲调至最小,逐步放大,以免产生过大冲击而损伤气缸。
- 气缸工作过程中应尽可能避免受横向载荷,以保证气缸在正常工作和使用寿命。
- 气缸拆下长时间不使用,要注意表面防锈,进排气口应加防尘堵塞帽。
专业生产气缸
标准气缸:SC系列;SI系列;SU系列;DNC系列;CDU自由安装气缸;CRA1摆动气缸;MDB系列标准气缸;QGB/QGA重型气缸
薄型气缸:SDA系列;CQSB系列;CQ2B系列;
迷你气缸:MAL铝合金气缸;MA不锈钢气缸;CM2B系列;CJ1B系列;CJ2B系列;C85系列;
双轴气缸:TN系列;CXS系列;
小型气缸:CJPB针形气缸;MK回转加紧气缸;
无杆/导杆气缸:MGP薄型导杆气缸;
气液增压缸:MPT增压缸;MPTF/MPTS增压缸;MPTC增压缸;
气动手指:MHZ2系列;MHC2系列;MHY2系列。
友情提示
1、本店所有产品均支持支付宝交易!部分产品尚未上传,如未搜到可旺旺咨询.我们将竭诚为您服务!!!
2、如购买我司产品开17%增值税发票,需另加12%税点。如需含运费可旺旺咨询。佳谦气动欢迎新老客户前来咨询洽谈!!!
如旺旺离线,可直接联系:
电 话:0577-27865980
手 机:13806869095 18605770778
商 务QQ:286680922



通过 
